Click to follow our Afritutor YouTube Channel, subscribe and click notifications and get updates on new learning videos


<=Back

<=CDACC ICT Technician Level 5 : Apply Basic Electronics past paper November 2022

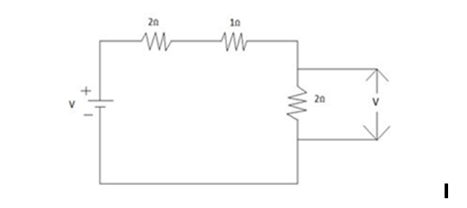
Calculate Voltage across 2Ω Resistor where supply V = 10 volts
basicelectric1.PNG

    Viewed:  478  times
For Better experience and learning,for video answers, after video ends playing, click next question in the questions list!!!

  Share in:
        

Question Answer:





Questions List:

1. The following are basic logic gates except? A. NAND gate B. OR gate C. AND gate D. NOR gate
2. A device which converts BCD to seven segments is called? A. Encoder B. Decoder C. Multiplexer D. Converter
3. The basic storage element in a digital system is? A. Flip-flop B. Counter C. Multiplexer D. Encoder
4. Which of the following devices has one input and many outputs? A. Multiplexer B. Demultiplexer C. Counter D. Flip flop
5. Write 11100110 in 1’s complement. A. 00011001 B. 10000001 C. 00011010 D. 00000000
6. The number of depletion layers in a transistor is A. Four B. Three C. One D. Two
7. What carries current in a PnP transistor? A. Acceptor ions B. Donor ions C. Free electrons D. Holes
8. Which oscillator is used in a transmitter? A. Hartley B. RC phase-shift C. Wien-bridge D. Crystal
9. If a radio receiver amplifies all the signal frequencies accurately, it is said to have high …… A. Sensitivity B. Selectivity C. Distortion D. Fidelity
10. The major advantage of FM over AM is ………….. A. Reception is less noisy B. Higher carrier frequency C. Smaller bandwidth D. Small frequency deviation
11. The purpose of a parallel circuit resonance is to magnify ……… A. Current B. Voltage C. Power D. Frequency
12. A semiconductor is formed by ……… bonds. A. Covalent B. Electrovalent C. Co-ordinate D. None of the above
13. Both EPROM and EEPROM are A. Sequential access memory B. Random access memory C. Volatile memory D. Destructive memory
14. Which of the following waves has the highest value of peak factor? A. Square wave B. Sine wave C. Half wave rectified sine wave D. Triangular wave
15. Skin effect occurs when a conductor carries current at _________ frequencies. A. Very low B. Low C. Medium D. High
16. Which of the following refers to a parallel circuit? A. The current through each element is the same B. The voltage across each element is proportional to its resistance value C. The equivalent resistance is greater than any one of the resistors D. The current through any one element is less than the source current
17. The power factor of a D.C. circuit is always? A. Less than unity B. Unity C. Greater than unity D. Zero The power factor of a D.C. circuit is always? A. Less than unity B. Unity C. Greater than unity D. Zero
18. The active components in an IC are? A. Resistors & Capacitors B. Capacitors & diodes C. Transistors and diodes D. None of the above
19. Which of the following is the most popular type of IC A. Thin-film B. Hybrid C. Thick-film D. Monolithic
20. Which of the following is most difficult to fabricate in an IC? A. Diode B. Transistor C. FET D. Capacitor
21. Differentiate between the following i) A.C and D.C currents ii) Electrolyte and Electrode
22. Explain the following as used in electronics i) Potential Difference ii) Current iii) Voltage iv) Power
23. What is an electric current
24. Explain the two types of Electric Circuits
25. Calculate Voltage across 2Ω Resistor where supply V = 10 volts
26. If there are 3 Resistors R1, R2, and R3 in series and V is total voltage and I is total current, then Voltage across R2 is?
27. Explain any five electronic components and their functions
28. Define semiconductor
29. Explain two types of extrinsic semiconductors.
30. With aid of a sketch, outline the PN junction diode showing the flow of current and depletion region formation
31. Define Ohm’s Law
32. State the purpose of fuse and circuit breakers
33. Outline any four advantages of semiconductors that make them highly useful in almost all electronic devices
34. Explain the following as used in Bipolar transistor configuration
35. With aid of a sketch, outline the configurations of PN junction diode showing both the input signal and output
36. Define Capacitance
37. Draw a closed circuit of three inductors (L1, L2, and L3) in series, showing the current (I) flow and voltage (V1, V2, and V3) across each inductor
38. Discuss any six challenges of emerging trends in electronic manufacturing
39. Convert the following Binary numbers to their decimal equivalent i) (1110010)₂ ii) (11011)₂
40. Convert the following Binary Numbers to octal equivalent (4 Marks) i) 101012 ii) 0110 011.10112
41. Convert binary number 1101010 into hexadecimal number
42. Convert hexadecimal number 1F.01B into decimal number
43. Explain the following as used in atomic structure
44. What is the difference between the following i) Cache memory and virtual memory? ii) Volatile memory and Non-volatile memory iii) DRAM and SRAM
45. Discuss four types of Read Only Memory